Arlight представляет герметичные управляемые RGB-модули SOLEX с режимом обхода «битого пикселя» и возможностью автономной работы без внешнего контроллера. Ассортиментный ряд представлен двумя моделями:
Обе модификации могут использоваться для воспроизведения разнообразных световых эффектов: от простой функции «бегущий огонь» до полномасштабного динамического освещения на больших мультимедийных экранах. Модули SOLEX будут незаменимы в архитектурном, динамическом освещении, при создании рекламных вывесок, медиафасадов, подсветки коммерческих зданий и оформлении театрализованных представлений. За счет ярких светодиодов SMD 3535 с микросхемой USC 1903 получается качественное освещение, а режим воспроизведения встроенных динамических эффектов позволяет запрограммировать модули на многообразие световых эффектов.
Чтобы управлять модулями, достаточно использовать внешний контроллер с интерфейсом SPI, который поддерживает работу с микросхемами USC 1903. Степень защиты IP68 позволяет использовать модули в режиме больших динамических и температурных нагрузок. Для удобства инсталляции модули поставляются в комплекте с держателем для монтажа на трос.
|
Модель |
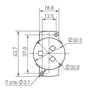
SOLEX-SPI-D30-3LED-12V RGB |
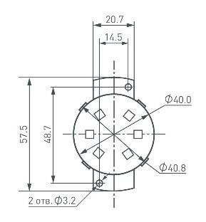
SOLEX-SPI-D40-6LED-24V RGB |
|
Артикул |
027221 |
027222 |
|
Кол-во светодиодов |
3 |
6 |
|
Напряжение питания |
12 В |
24 В |
|
Потребляемая мощность в режиме белого цвета |
0,7 Вт |
1,4 Вт |
|
Кол-во воспроизводимых цветов и оттенков |
Более 16 млн. |
|
|
Световой поток в режиме белого света |
15 Лм |
35 Лм |
|
Кол-во модулей на одном шлейфе |
60 шт. |
40 шт. |
|
Макс. кол-во модулей, подключаемых к одному порту контроллера |
500 шт. (максимально допустимое кол-во, при наличии помех и наводок рекомендуется подключать не более 300) |
|
SOLEX-SPI-D30-3LED-12V RGB
SOLEX-SPI-D40-6LED-24V RGB
Последние новости