Арт.: 032363

Профиль COB-GERM-8-L1000 (Arlight, Пластик)

Распечатать
Поделиться
Общие характеристики
Тип товара
Профиль
Гарантийный срок
1 год(а)
29925

В наличии

Пленочная упаковка (полистирол) 1 м — 29925
Пленочная упаковка (полистирол) 1 м 29925
Способы получения заказа Способы получения заказа Доставка по Москве и МО Самовывоз
Описание
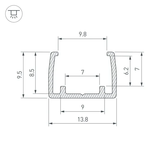
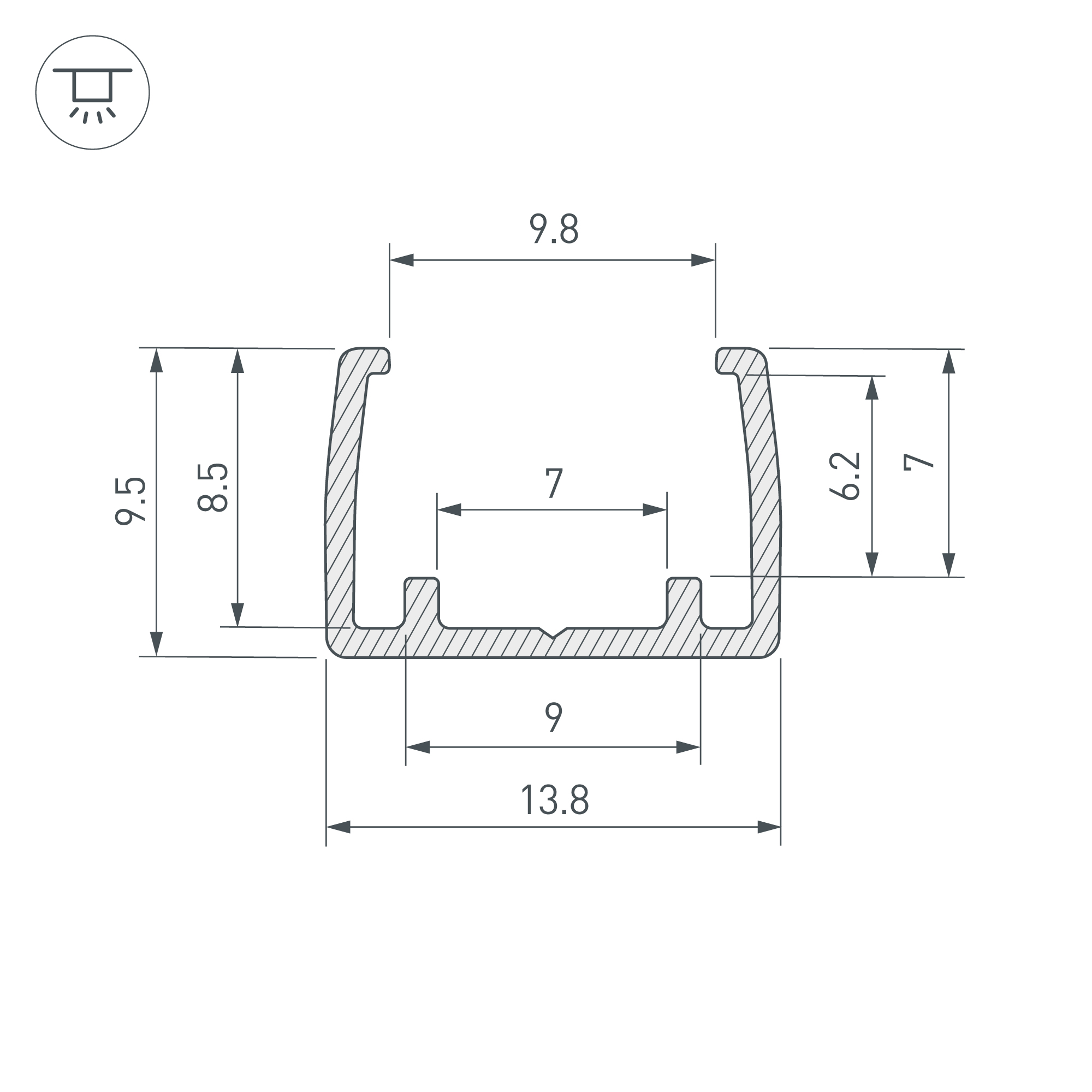
Профиль из прозрачного пластика длиной 1000 мм для крепления герметичных лент COB (PL60/PL90) сечением 12x10 мм. Надежно фиксирует ленту, не требует использования 3M скотча для приклеивания. Рабочая температура: -10/+20°C.
Характеристики
Профиль из прозрачного пластика для крепления герметичных лент COB (PL60/PL90) сечением 12х10 мм. Надежно фиксирует ленту, не требует использования 3M скотча для приклеивания. Размеры 1000х13.8х9.5мм. Цена за 1 м.
Общие
Артикул
032363
Тип товара
Профиль
Гарантийный срок
1 год(а)
Эксплуатационные
Место применения
На улице открыто / в помещении
Габариты
Длина
1000 мм
Ширина
13.8 мм
Высота
9.5 мм