Арт.: 044682

Профиль SL-LINIA52-3L-F-2000 ANOD (Arlight, Алюминий)

Распечатать
Поделиться
Общие характеристики
Тип товара
Профиль
Назначение
Для прямоугольных светильников
Форма (сечение)
Прямоугольный
Цвет покрытия
Серебристый
Материал корпуса
Алюминий
Индивидуальная покраска
Возможна
Гарантийный срок
3 год(а)
Модельный ряд
SL-LINIA
Способ монтажа
Встраиваемый с накладным фланцем
3 10863 ₽/м

В наличии

Пленочная упаковка (полистирол) 2 м — 6 21726
Пленочная упаковка (полистирол) 2 м 6 21726
Способы получения заказа Способы получения заказа Доставка по Москве и МО Самовывоз
Описание
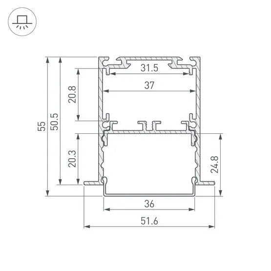
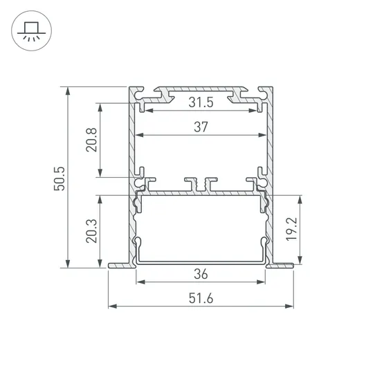
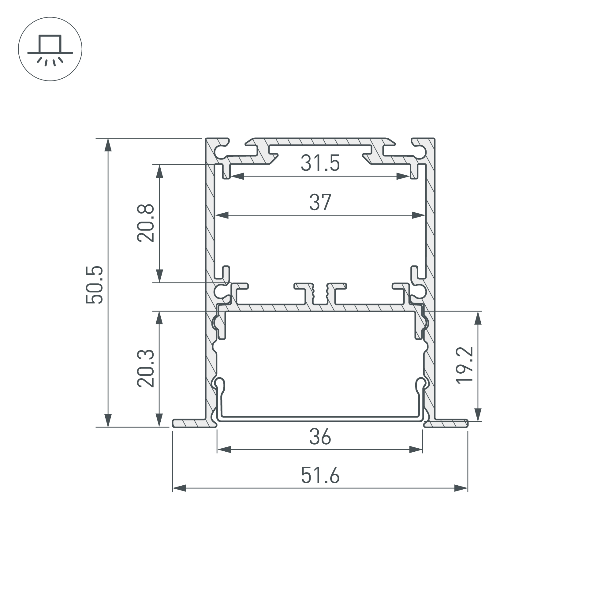
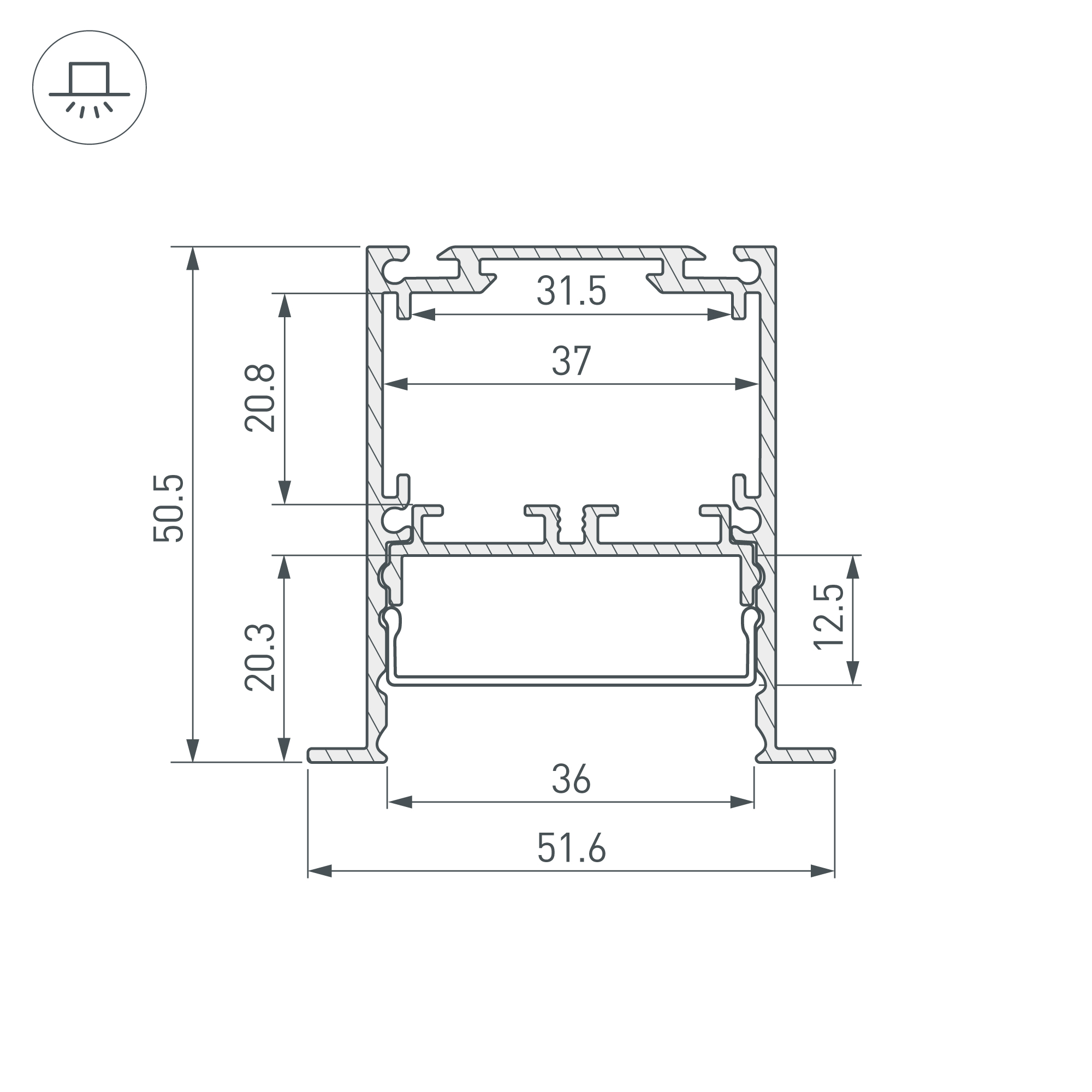
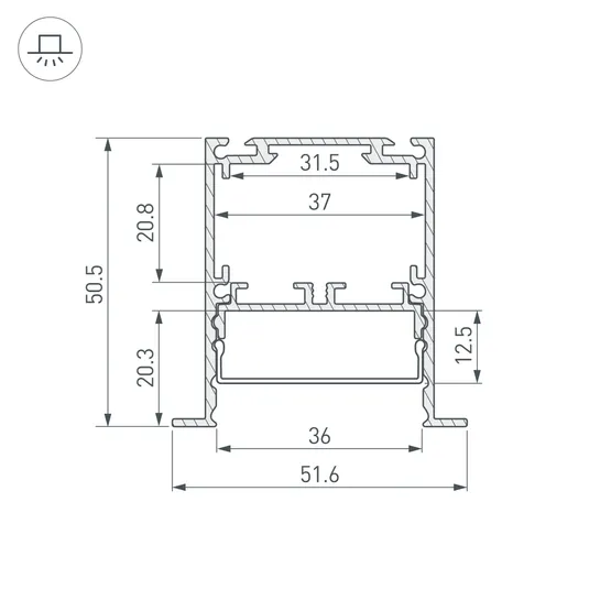
Встраиваемый профиль с накладным фланцем из анодированного алюминия для основного освещения и контурной подсветки. Возможность установки экрана на трех уровнях: выступая за края профиля, вровень с профилем и утоплено, позволяет получить разные световые эффекты. Отсек для блока питания (31,5х20,8 мм) и съемная площадка для светодиодной ленты значительно облегчают сервисное обслуживание осветительного оборудования. Габаритные размеры профиля составляют 2000 мм в длину, 51,6 мм в ширину и 50,5 мм в высоту. Площадки для установки светодиодных лент позволяют использовать ленты шириной до 33 мм и мощностью до 47 Вт/м. Это обеспечивает гибкость в выборе светодиодных лент и создает потрясающие световые решения. Экраны, заглушки и другие аксессуары не включены в комплект и приобретаются отдельно. Цена указана за 1 метр профиля. Отличное решение для создания современных световых проектов.
Характеристики
Встраиваемый алюминиевый анодированный профиль со съемной площадкой для светодиодной ленты в комплекте. Габаритные размеры (L×W×H): 2000x51,6x50,5 мм. Ширина площадки для ленты 33мм. Отсек для БП 31,5х20,8 мм. Возможность установки экрана на разных уровнях (три варианта). Экраны, заглушки и другие аксессуары приобретаются отдельно. Цена за 1 метр.
Общие
Артикул
044682
Тип товара
Профиль
Назначение
Для прямоугольных светильников
Форма (сечение)
Прямоугольный
Цвет покрытия
Серебристый
Материал корпуса
Алюминий
Индивидуальная покраска
Возможна
Гарантийный срок
3 год(а)
Модельный ряд
SL-LINIA
Способ монтажа
Встраиваемый с накладным фланцем
Светотехнические
КПД профиля (cветовой)
86 %
Эксплуатационные
Внешний вид поверхности
Матовая
Покрытие поверхности
Анодирование
Ширина световой линии
36 мм
Рассеиваемая тепловая мощность на 1м
max: 47 W
Съемная площадка для ленты
Есть
Габариты
Длина
2000 мм
Ширина
51.6 мм
Высота
50.5 мм
Ширина площадки
33 мм
Отсек для БП, ширина
31.5 мм
Отсек для БП, высота
20.8 мм
Глубина установки источника света
19.2 мм
Другие
Кратность цены за 1 м/шт
1
Модели серии (15)
Страница серии
Item 1 of 15