Арт.: 049950(1)

Профиль LINIA32-FANTOM-2000 ANOD (Arlight, Алюминий)

Распечатать
Поделиться
Общие характеристики
Тип товара
Профиль
Цвет покрытия
Серебристый
Форма (сечение)
С фланцем
Назначение
Для гипсокартонных листов
Модельный ряд
SL-LINIA
Материал корпуса
Алюминий
Гарантийный срок
3 год(а)
Способ монтажа
Встраиваемый со скрытым фланцем
3 30120 ₽/м

В наличии

Пленочная упаковка (полистирол) 2 м — 6 60240
Пленочная упаковка (полистирол) 2 м 6 60240
Способы получения заказа Способы получения заказа Доставка по Москве и МО Самовывоз
Описание
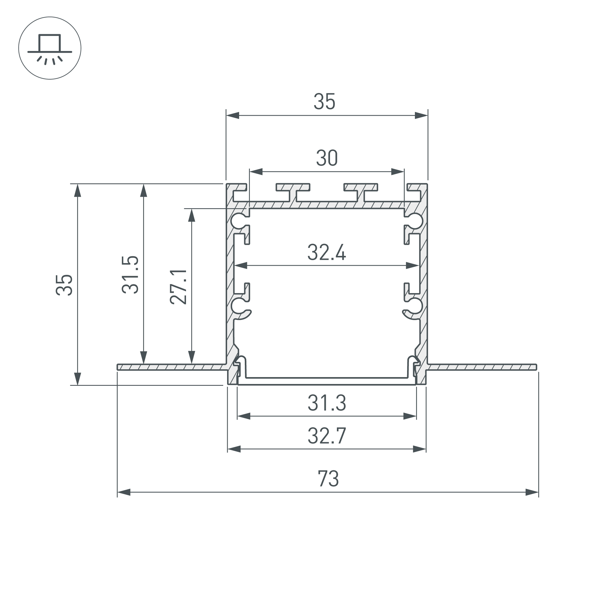
Алюминиевый светотехнический профиль для установки светодиодной ленты или линейки. Цвет серебристый. Длина 2000 мм, размер сечения 73х35 мм. Монтаж осуществляется встраиваемым способом. Фланцы закрашиваются, что позволяет скрыть алюминиевые части профиля, в результате видна только световая линия. Рассеиваемая тепловая мощность 46 Вт/м позволяет подобрать источник света как для основного освещения, так и для мягкой декоративной подсветки. Профиль охлаждает светодиодную ленту, продлевая срок её службы и сохраняя яркость, а также защищает от воздействия пыли, влаги и других внешних факторов. Высококачественное анодированное покрытие защищает профиль от внешних воздействий и коррозии. Светотехнический профиль - отличное решение для создания современных световых проектов. Перед установкой профиля в гипсокартон ОБЯЗАТЕЛЬНО установите в профиль экран.
Характеристики
Алюминиевый анодированный профиль для светодиодных лент и линеек. Габаритные размеры (L×W×H): 2000x73х35 мм. Ширина площадки для ленты 30 мм. Экраны, заглушки и другие аксессуары приобретаются отдельно. Цена за 1 метр.
Общие
Артикул
049950(1)
Тип товара
Профиль
Цвет покрытия
Серебристый
Форма (сечение)
С фланцем
Назначение
Для гипсокартонных листов
Модельный ряд
SL-LINIA
Материал корпуса
Алюминий
Гарантийный срок
3 год(а)
Способ монтажа
Встраиваемый со скрытым фланцем
Светотехнические
КПД профиля (cветовой)
70 %
Эксплуатационные
Внешний вид поверхности
Матовая
Покрытие поверхности
Анодирование
Ширина световой линии
32 мм
Рассеиваемая тепловая мощность на 1м
max: 46 W
Габариты
Длина
2000 мм
Ширина
73.7 мм
Высота
35 мм
Ширина площадки
30 мм
Глубина установки источника света
30.6 мм
Другие
Кратность цены за 1 м/шт
1
Модели серии (20)
Страница серии
Item 1 of 20